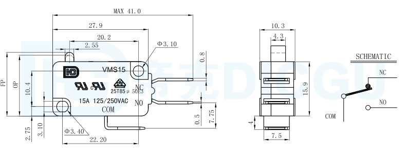
| 类型 | 压接微动开关 | 品名 | VMS15-00W |
| 1.1额定电压 | 125/250VAC | 1.6自由位置(FP) | 18.4±0.5mm |
| 1.2额定电流 | 15A | 1.7动作位置(OP) | 17.5±0.5mm |
| 1.3接触电阻(CR) | ≤100mΩ (初始值) | 1.8回复位置(RP) | |
| 1.4操作力(OF) | 160±40gf | 1.9行程(PT) | |
| 1.5回弹力(RF) | 1.10灵敏度(BT) |
| 2.1机械寿命 | 1,000,000 CYCLES | 2.5焊接工艺 | 手工焊 |
| 2.2电气寿命 | 10,000 CYCLES | 2.6适用温度) | -25°C - +85°C |
| 2.3绝缘电阻 | ≥100MΩ DC500V(初始值) | 2.7适用湿度 | <85% RH |
| 2.4耐压强度 | AC1500V 1 minute(初始值) | 2.8 |

地址:广东省惠州市博罗县石湾镇历山南路 服务热线:+86-752-6911102/6911103 E-mail:sale@dicgroup.com / 粤ICP备15105573号